点击这里总PLC目录

SR系列可编程控制器 ,只要会看电路图,就会用PLC

遥控接收模块
 
 
功能特点:
 
 遥控接收模块分为SR-RCA交流型和SR-RCD直流型可以远程对SR进行无线控制,实现对语音模块、输入/输出的控制。此功能
 使得在一些特定的控制现场,如:有毒有害人工无法直接控制SR的场所;在工作室内直接无线遥控现场的SR机器
 
 遥控输入是用遥控发射器来实现对输入点状态的控制,实际上扩展了输入点,遥控输入点共有6个分别为:Y1、Y2、Y3、
 Y4、Y5、Y6.使用遥控接收模块可以通过遥控器在70米以内对您的SR的遥控输入点状态进行控制
 
 遥控接收模块配合使用加长连接天线(SR-ENAT),您的信号即使在被屏蔽的场合也畅行无阻
 
 SR无线遥控使您的智能空间超越无限!控制更自由更方便!
 
 
  技术指标:(遥控接收模块)
 

项目

参数

功耗

1.5W

工作频率

VHF(310~340MHz) UHF(415~460MHz)

      环境温度

工作温度

0℃~55℃

存储/运输

-40~+70℃

绝缘强度

符合IEC1131

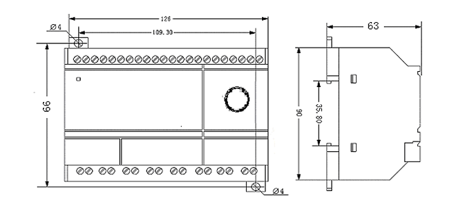
尺寸

90*126*63(单位:毫米)

安装

35mm标准的DIN导轨或螺钉固定安装

遥控距离

≤70米

  技术指标:(遥控发射器)
 

项目

参数

功耗

40Mw

工作频率

VHF(310~340MHz) UHF(415~460MHz)

      工件电压
DC 3V (两节5号电池)

发射功率

3dbm

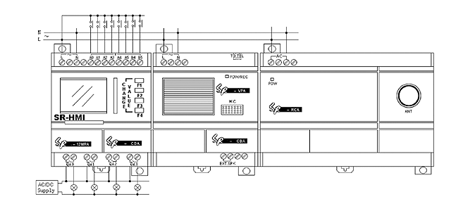
  遥控模块的结构:
 

 

 
 
 1. 与上位机界面处(接主机、语音)
 2. 与PC机通讯和下位机界面
 3. 遥控接收天线
 4. 遥控模块电源输入(交流或直流)(AC110V-220V),(DC12V-24V)
 5. 电源指示灯
 6.SR-TC遥控发射器.
  SR-TC遥控器使用:
 
 1、发射器与接收模块严格配对,不可混用。同一频率的发射器与接收模块不一定能配合工作,因为它们的地址码不相同
  ,需对码(出厂前已完成)。(就像一把钥匙开一把锁一样.)
 2、发射器使用两节5号电池。
 3、在重上电或关机时,想进行操作,必须先按SR-TC的START键。
  按START键后,按Y1~Y6指示灯为绿色。这时才表示遥控发射器的信号发出。若指示灯的颜色为红色,这时表示遥控
  发射器的信号没有发出,遥控接收机不受控制的。按STOP键后,发射器停止发射。除再次按START以外,按压其它键
 
   指示灯均为红色。
  安装与连接:
 

安装尺寸(mm):35mm标准的DIN导轨或螺钉固定安装

 
  遥控模块与主机的连接:
 
  遥控模块与主机、语音模块的连接:
 
  注意:
 
 1. 电源输入:交流AC110V-220V,直流DC12V-24V
 2. 语音模块后面还可以跨接遥控模块,来对语音模块进行无线遥控,还可以与扩展模块配合使用
 3. 交流型的主机必须外接交流型的语音、扩展或遥控模块,直流型的主机必须外接直流型的语音、扩展或遥控模块
 4.在软件编程时要选择相应的遥控模块的硬件配置,才能使用遥控模块进行操作.

点击这里总PLC目录