点击这里总PLC目录

SR系列可编程控制器 ,只要会看电路图,就会用PLC

20点SR扩展模块系列
 
功能特点:
 
SR-20点扩展模块可以分别与主机相连接,一次性可扩充20点输入/输出(12点输入,8点输出)。一台SR系列主机最多可以外
扩3台扩展模块,12点主机可以扩展到72I/O(44点输入,28点输出),22点的主机可以扩展到82点I/O(50点输入,32点输出)
 
多容量的输入、输出,系统功能更强大!使您的控制更方便!
 
 
技术指标:
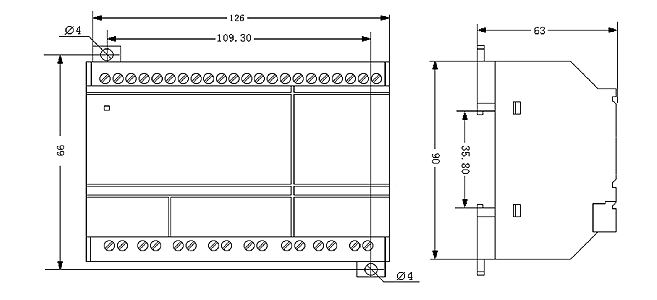
  安装与连接:
 

安装尺寸(mm):35mm标准的DIN导轨或螺钉固定安装

 
  输入输出等效电路图:
 

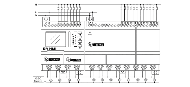
  主机与扩展的连接:
 
  主机与扩展的柔性连接:
 
  扩展模块的地址设置:
  扩展模块与主机连接扩充输入输出的点数,最多可以连接5台扩展模块。在将扩展模块接入使用时要给每个扩展模块分配地
 
址。我们规定地址范围为1~5,只有地址设置正确才能实施控制。地址设置如下图所示,EXT1~EXT5为扩展模块1~5.
 
 
 
  说明:
 
1.交流型的主机与交流型扩展模块连接,输入电压AC110V-240V;
 直流型的主机与直流型扩展模块的连接,输入电压DC12V-24V
 
2.每一台主机都可以连接5台同类型的扩展模块。
   
3 .连接在一起的每一台扩展模块的地址必须各不相同。并且地址值不能超过规定的范围:(Ext.1—Ext.5).
 
4. 扩展模块的地址设定应在通电之前完成,通电后再改变扩展模块的地址是无效的.
 
5. 在连接了扩展模块,并设置了扩展模块的地址后,在用软件编程时要选择相应的扩展、语音或遥控模块,否则将无法对
  其编程。如下图:
 
  注意:
 
交流型的主机与交流型的语音、扩展或遥控模块配合连接;输入电压AC110V-240V;
 
直流型的主机与直流型的语音、扩展或遥控模块配合连接;输入电压DC12V-24V.

点击这里总PLC目录